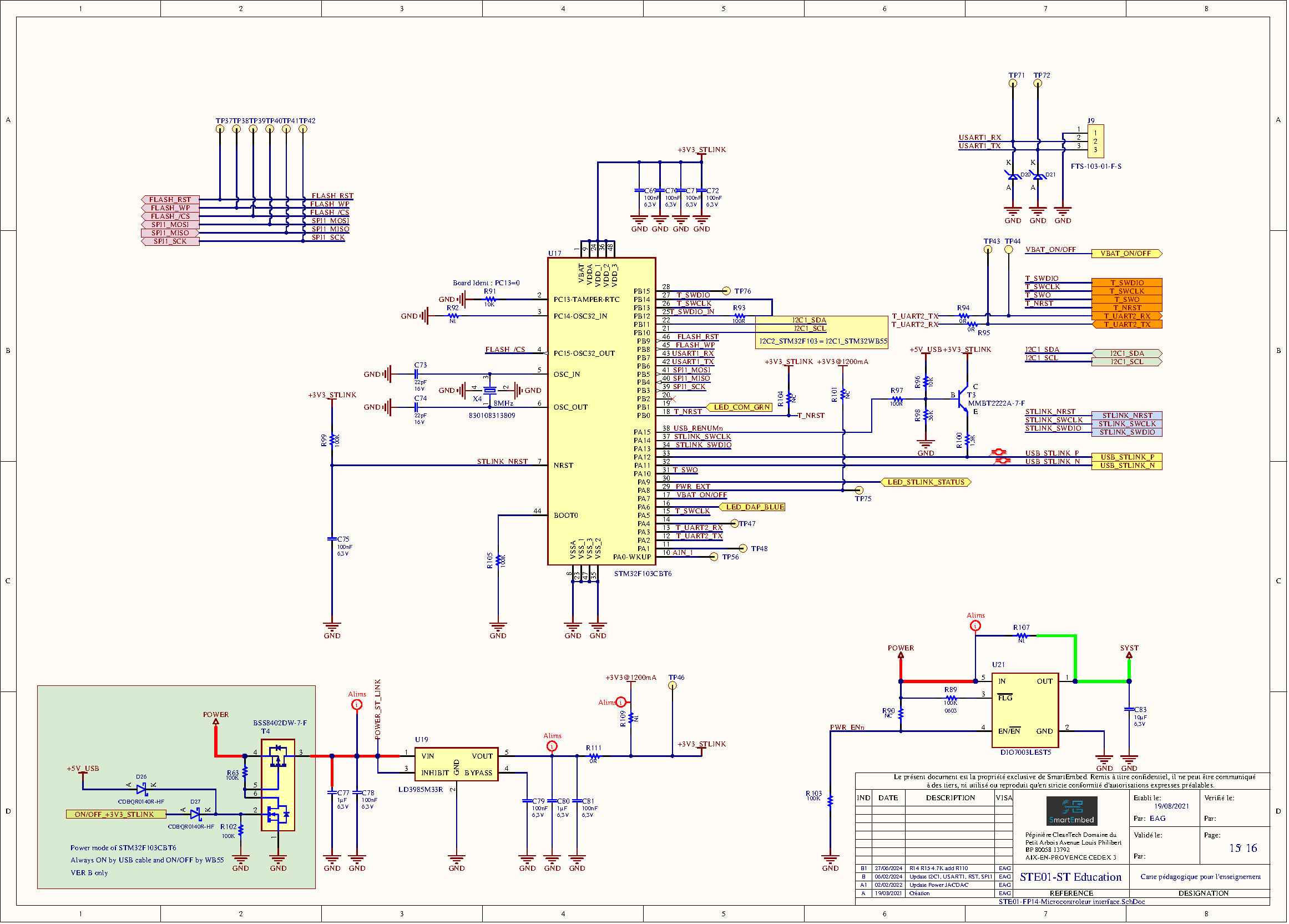
STM32F103CBT6 — Microcontrôleur interface
Le STM32F103 est le processeur d'interface de la carte STeaMi. Il exécute le firmware DAPLink (comme le micro:bit), gérant les communications USB, la programmation drag-and-drop, le WebUSB et l'accès à la mémoire flash externe.
Caractéristiques
| Caractéristique | Détail |
|---|
| Modèle | STM32F103CBT6 |
| Fabricant | STMicroelectronics |
| Cœur | ARM Cortex-M3 @ 72 MHz |
| Flash | 128 Ko |
| Firmware | DAPLink |
| Horloge | Quartz 8 MHz |
| Boîtier | LQFP48 |
| Datasheet | PDF |
Endpoints USB
Le firmware DAPLink fournit quatre endpoints USB :
| Endpoint | Protocole | Fonction |
|---|
| HID | CMSIS-DAP | Débogage du MCU applicatif |
| CDC | Port série virtuel | Communication série avec le MCU et l'ordinateur |
| MSC | Stockage de masse | Flash virtuel — drag-and-drop programming |
| WebUSB | Interface web | Interaction directe depuis un navigateur |
Architecture flash interne
| Zone | Adresse | Taille | Description |
|---|
| Bootloader | 0x08000000 — 0x0800BBFF | 47 Ko | Bootloader DAPLink (jamais touché) |
| Config zone | 0x0800BC00 — 0x0800BFFF | 1 Ko | Données usine persistantes (révision, calibration) |
| Interface firmware | 0x0800C000 — 0x0801FBFF | 79 Ko | Firmware DAPLink |
| DAPLink settings | 0x0801FC00 — 0x0801FFFF | 1 Ko | Paramètres DAPLink |
Protocole I2C (adresse 0x3B)
Le STM32F103 est accessible via I2C1 à l'adresse 0x3B. Les commandes disponibles :
| Commande | Code | Description |
|---|
| WHO_AM_I | 0x01 | Identification du composant |
| SET_FILENAME | 0x03 | Définir le nom de fichier pour l'écriture flash |
| GET_FILENAME | 0x04 | Lire le nom de fichier courant |
| CLEAR_FLASH | 0x10 | Effacer la mémoire flash W25Q64 |
| WRITE_DATA | 0x11 | Écrire des données dans la flash |
| READ_SECTOR | 0x20 | Lire un secteur de la flash |
| WRITE_CONFIG | 0x30 | Écrire dans la config zone |
| READ_CONFIG | 0x31 | Lire la config zone |
| CLEAR_CONFIG | 0x32 | Effacer la config zone |
| STATUS | 0x80 | Lire l'état de la dernière opération |
| ERROR | 0x81 | Lire le code d'erreur |
Connexions
| Signal | Pin STM32F103 | Description |
|---|
| I2C1_SCL | PB6 | Bus I2C interne (partagé avec WB55) |
| I2C1_SDA | PB7 | Bus I2C interne |
| LED_STATUS | PA9 | LED status verte |
| LED_FLASH | PB1 | LED communication verte |
| LED_DAPLINK | PA6 | LED DAPLink bleue |
| SWCLK | PA14 | Port SWD (debug) |
| SWDIO | PA13 | Port SWD (debug) |
Signaux SPI vers flash W25Q64
| Signal | Test Point |
|---|
| SPI1_SCK | TP42 |
| SPI1_MOSI | TP40 |
| SPI1_MISO | TP41 |
| FLASH_CS | TP39 |
| FLASH_RST | TP37 |
| FLASH_WP | TP38 |
Schémas

Voir aussi