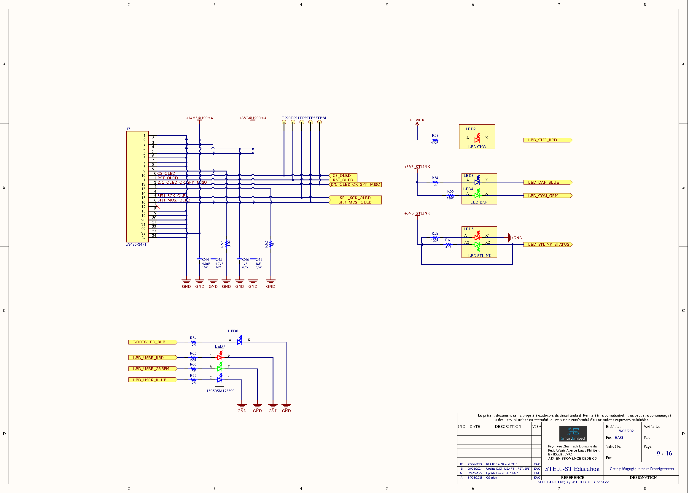
L'écran OLED blanc 128x128 pixels est connecté au processeur applicatif via le bus SPI1 interne. Il utilise le contrôleur SSD1327 et est relié par un connecteur FFC/FPC 24 positions.
Caractéristiques
| Caractéristique | Détail |
|---|
| Modèle | Winstar WEO128128BWPP3N00001 |
| Fabricant | Winstar |
| Contrôleur | SSD1327 |
| Technologie | OLED (blanc) |
| Résolution | 128 x 128 pixels |
| Niveaux de gris | 4 bits (16 niveaux) |
| Interface | SPI1 (interne) |
| Connecteur | FFC/FPC 24 positions, pas 0.50 mm (Molex 52435-2471) |
Signaux SPI
| Signal | Pin STM32WB55 |
|---|
| SPI1_SCK_OLED | PA1 |
| SPI1_MOSI_OLED | PB5 |
| C_OLED_OR_SPI1_MISO | PB4 |
| CS_OLED | PD0 |
| RST_OLED | PA12 |
Schémas

Voir aussi