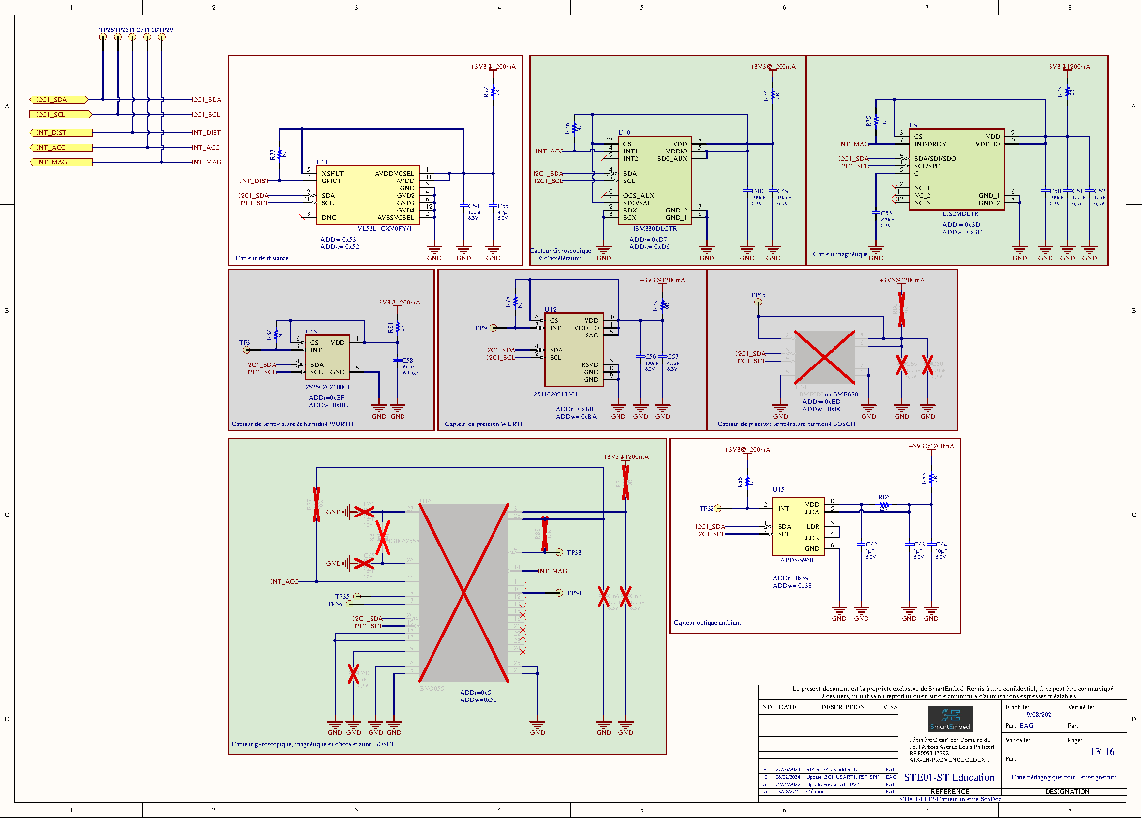
Capteurs internes
La carte STeaMi intègre 7 capteurs couvrant distance, mouvement, environnement, lumière et son. Les capteurs I2C sont regroupés sur le bus I2C1 interne ; certains disposent de lignes d'interruption individuelles.
Bus I2C interne
| Signal | Pin STM32WB55 | Pin STM32F103 |
|---|---|---|
| I2C1_SCL | PB8 | PB6 |
| I2C1_SDA | PB9 | PB7 |
Liste des capteurs
| Capteur | Modèle | Mesures | Page |
|---|---|---|---|
| Accéléromètre/Gyroscope | ISM330DLC | 6 axes + température | Détail → |
| Magnétomètre | LIS2MDL | 3 axes magnétiques | Détail → |
| Distance | VL53L1X | Time-of-Flight, 0-4 m | Détail → |
| Pression | WSEN-PADS | 26-126 kPa, 24 bits | Détail → |
| Humidité/Température | WSEN-HIDS | RH + °C | Détail → |
| Lumière/Geste | APDS-9960 | ALS, couleur, proximité, geste | Détail → |
| Microphone | IMP34DT05 | PDM MEMS omnidirectionnel | Détail → |
